一、昊軒塑木地板安裝簡介
昊軒塑木地板是以天然木/竹粉為主要原料,加入聚乙烯塑料,再加入一些必要的化學助劑,在高溫高壓下經過專業木塑擠出設備擠出成型。昊軒塑木地板可廣泛應用在棧道、廣場、園林景觀等方面。昊軒塑木地板的主要特點:木質感強,耐磨損、抗沖擊、高密度,防水、防潮、防白蟻,安裝簡便、費用低。昊軒塑木地板與防腐木地板相比較有很大的優勢:不需油漆、不含膠水、維護費用低,可赤足、防滑、不易開裂,100% 環保,節省森林資源。
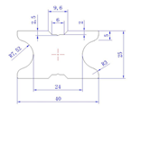
二、昊軒塑木地板板材及配件
1、昊軒環保新材料有限公司主推以下塑木地板

2、可供選擇的昊軒塑木地板龍骨


3、昊軒塑木地板主要裝配件

![]() |
三、昊軒塑木地板的裝配示意圖
|
2、三種地板的裝配示意
![]() |
此種地板為HX140S25木塑地板,采用自攻螺釘直接固定于木塑龍骨之上,要求自攻螺釘釘帽與木塑地板表面平齊,木塑地板間距在5mm
|
![]() |
此種地板為HX140K25木塑地板,在地板的起始和結束位置使用自攻螺釘將木塑地板與木塑龍骨固定,要求自攻螺釘釘帽與木塑地板表面平齊。其余木塑地板與木塑龍骨的交接點均使用塑料卡扣將木塑地板與木塑龍骨連接、緊固。木塑地板的間距由塑料卡扣確定。
|
![]() |
此種地板為HX35K25木塑地板,在地板的起始和結束位置使用自攻螺釘將木塑地板與木塑龍骨固定,要求自攻螺釘釘帽與木塑地板表面平齊。其余木塑地板與木塑龍骨的交接點均使用不銹鋼卡扣將木塑地板與木塑龍骨連接、緊固。木塑地板的間距由不銹鋼卡扣確定。 |
四、昊軒塑木地板安裝時應注意的方面
1、由于木塑材料本身的密度較大,在使用自攻螺釘的位置均需用鉆頭引孔,再進行自攻螺釘的緊固。
2、固定龍骨的要求
要求安裝工作面平整,無坑洼,龍骨間距L在300mm~350mm

3、對于大面積木塑地板的鋪裝,建議使用圖示安裝方式,每根木塑地板的長度不超過2米

4、昊軒塑木地板的封邊處理
昊軒塑木地板的封邊使用木塑板材B10-140或B16-70進行封邊,根據地板龍骨的高度,將B14-140或B16-70裁制到需要的高度,固定封邊木塑材料的自攻螺釘間距在400mm~600mm。也可以選用其他金屬封邊條作為木塑地板的封邊。

5、對于彎道木塑地板的鋪裝,需根據彎道的長短及角度對每一塊木塑地板的兩端進行切割后再鋪裝。
6、臺階的木塑地板鋪裝,對于臺階的陽角建議使用金屬壓條對木塑地板進行保護。
7、在使用過程中,請避免重物的撞擊或碰撞。在材料的存儲,運輸,安裝過程中,請注意妥善處理,避免它從高處跌落受損。
污漬的種類
解決方法
灰塵,塵垢
用硬毛刷醮熱肥皂水來沖洗去除
霉斑
用普通的擦洗木制品霉班的藥劑或漂白水拭除或用清潔球直接擦去即可
粉筆印跡
除了白色粉筆,其他顏色一旦印上就不能去除,可使用已經加入了漂漬劑的熱肥皂水去刮擦去除
冰或雪
購買氯化鈣或巖石鹽,可以熔化冰或雪,再用熱肥皂水來沖洗去除
污點,土和污穢物
含草酸或磷酸的洗滌用品抹到污點上10-15分鐘,可以去除污漬
油漬
一旦發現油漬污點,請即刻用家用去油污的洗滌用品加入熱肥皂水洗除
莓果和酒污點
混合漂漬劑和熱的肥皂水來擦拭污點淡化污點后再洗除
墨漬
墨漬可能會不能去除,混合漂漬劑和熱的肥皂水來擦拭污點淡化污點后再洗除可能可以淡化墨漬
備注:
建議定期打掃木塑地板以防止灰塵堆積或各種污漬經過長時間后更加難以清除。如果木塑地板一旦有了污漬而又不確定用某種清洗方法能夠很好的清除的情況下,建議先清洗木塑地板有污漬區域的一小部分做為測試以防止造成地面色差過大,如果效果良好,再用這種方法清除其他污漬區域。可以使用水龍頭直接沖洗木塑地板的灰塵污垢、泥土。